Umgangssprachlich werden Leistungsverstärker auch als Endstufe bezeichnet, weil sie die letzte, elektronisch aktive Stufe in der Signalverarbeitung darstellen, bevor das verstärkte Signal dem Lastwiderstand übergeben wird.
Inhaltsverzeichnis |
Man unterscheidet
Im folgenden Artikel werden ausschließlich Breitbandverstärker für den NF-Bereich behandelt. Dabei gibt es eine weitere Unterteilung in Eintaktverstärker, Gegentaktverstärker und Brückenschaltungen, die aus zwei Gegentaktverstärkern zusammengesetzt sind.
Leistungsverstärker arbeiten entweder im klassischen Linearbetrieb mit geringem Wirkungsgrad und werden dann nach der Lage des Arbeitspunktes der Endstufe eingeordnet:
Leistungsverstärker können auch „digital“ mit hohem Wirkungsgrad arbeiten:
Vorteile:
Nachteile:
Beim Eintakt-A-Verstärker liegt der Arbeitspunkt etwa in der Mitte des linearen Teils der Kennlinie, weshalb diese Stufe einen hohen, nicht von der Aussteuerung abhängigen Ruhestrom und einen geringen Wirkungsgrad hat. Bei Transistoren wird der Basistrom Ib derart gewählt, dass er größer als die größte Amplitude des Nutzsignals ist. Hierdurch ist sichergestellt, dass zu jeder Zeit ein Kollektorstrom Ic fließen kann. Bei einem Röhrenverstärker darf die Gitterspannung nicht positiv werden, da sonst erhebliche Verzerrungen durch „Clipping“ auftreten.
Die Arbeitskennlinie eines A-Verstärkers ähnelt immer einem geneigten "S", auch wenn man ihn als Gegentaktverstärker aufbaut. Die Fouriertransformation dieser Übertragungsfunktion ergibt eine Dominanz der ungeradzahligen Oberwellen.
Vorteile:
Nachteile:
Die beiden Betriebsarten unterscheiden sich in einem Detail: Im B-Betrieb ist der Ruhestrom null, im AB-Betrieb beträgt er nur einige Milliampere. Alles andere ist gleich. Ein Transistor wird - je nach Signalstärke - nur bei positiven Halbwellen mehr oder weniger leitend, der andere bei negativen Halbwellen des Eingangssignals. Jeder überträgt also lediglich die Hälfte (elektrisch 180°) des Signals. Man nennt diese Anordnung auch push-pull, da ein Transistor Strom in die Last "drückt" und der andere Stromfluss in die entgegengesetzte Richtung bewirkt. Im B-Betrieb kann es bei sehr kleinen Signalspannungen vorkommen, daß keiner der beiden Transistoren leitfähig ist. Dann entstehen "crossover" oder "deadband" Verzerrung. Das wird im AB-Verstärker vermieden.
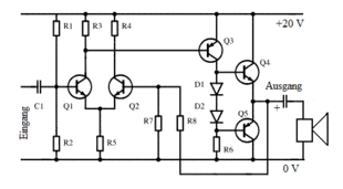
Im nebenstehenden Schaltplan bilden die Transistoren Q4 und Q5 die Gegentaktendstufe mit Eintaktansteuerung und unsymmetrischer Betriebsspannung. Der obere Transistor ist vom Typ NPN und der unter vom Typ PNP, wobei die Bauteile jeweils über entgegengesetzte elektrische Parameter verfügen. Die Dioden D1 und D2 sorgen für die Basisvorspannung, um die Übernahmeverzerrungen zu verringern wenn sich die Transistor beim leitenden Zustand abwechseln. Diese Betriebsart der Transistoren heißt auch AB-Betrieb.
→ Hauptartikel: Gegentaktendstufe
AB-Endstufen sind die am weitesten verbreiteten Endstufen in der Unterhaltungselektronik. Sie treten in integrierter Bauform mittlerer Leistung als IC (z. B. die Hybrid STK-Typen) oder bei teureren Verstärkern mit diskreten Einzeltransistoren auf. Das Bild zeigt eine AB-Gegentaktstufe in einem HiFi-Verstärker. Unter (1) sind die Endstufentransistoren zu erkennen, die von den zwei Treibertransistoren (2) im Gegentakt angesteuert werden. Die zwei Kondensatoren unter (3) dienen als Pufferspeicher dazu, die symmetrische Versorgungsspannung zu sieben (Entfernung des 100-Hz-Brummens von der Graetz-Brücke) und genug Strom bei kurzfristigen Leistungsspitzen (Bässe) zur Verfügung zu stellen. Das IC unter (4) ist der Quellenumschalter, den der Mikrocontroller des Receivers/Verstärkers steuert und mit dem die Signalquelle ausgewählt wird.
Vorteil:
Nachteil:
Dieser Verstärker wird meistens in HF-Endstufen für kontinuierliche Aussendungen (Senderendstufen, Amateurfunk) eingesetzt. Für trägerlose Aussendungen (Einseitenbandmodulation, SSB) sind Verstärker im C-Betrieb aufgrund der hohen Verzerrungen nicht geeignet. Der Arbeitspunkt wird so gewählt, dass bei kleiner Aussteuerung noch kein Ruhestrom fließt, was zu einer starken Verzerrung des Ausgangssignals führt. Bei vielen modulierten Signalen wie FM ist dieses ohnedies belanglos. Der Wirkungsgrad im C-Betrieb kann mit bis zu 90% sehr hoch sein, und damit ist die Verlustleistung gering. Eine wichtige Eigenschaft, wenn man doch bedenkt, dass ein Sender oft mit 100 kW und noch mehr Leistung versorgt wird. Zwischen Endstufe und Antenne (Last) müssen HF-Schwingkreise oder Pi-Filter verwendet werden, um unerwünschte Oberwellen wegzufiltern.
Vorteile:
Nachteile:
In einem Klasse-D-Verstärker werden die Leistungstransistoren mit Hilfe von unterschiedlich langen Pulsen angesteuert. Sie werden also mit sehr hoher Frequenz (über 100 kHz) ein- und ausgeschaltet und nicht wie bei den anderen Klassen linear betrieben. Das hat den Vorteil, dass der Transistor nur sehr kurz in dem Bereich arbeitet, in dem Spannung und Strom hoch sind. Dadurch wird ein hoher Wirkungsgrad erreicht. Es muss deutlich weniger Wärme durch Kühlkörper abgeführt werden. Das geschaltete Ausgangssignal muss, bevor es zum Lautsprecher geht, noch mit einem Tiefpass gefiltert werden. Andernfalls würden die Lautsprecherkabel starke elektromagnetische Störungen abstrahlen und andere Geräte beeinträchtigen.
Damit die Schaltungen und die anschließende Filterung nicht das zu verstärkende Signal verzerren, muss die Schaltfrequenz oberhalb der höchsten Signalfrequenz liegen. Eine typische Schaltfrequenz für Audioverstärker im D-Betrieb ist ca. 400 kHz, also weit über dem hörbaren Frequenzbereich.
Klasse-E-Verstärker vereinen Elemente des Klasse-D- und Klasse-C-Verstärkers zu einem Audioverstärker höchster Effizienz. Bei diesen arbeitet eine Schaltstufe auf einen Resonanzkreis, dessen Spannung über einen Tiefpass zur Last gelangt. Die Schaltstufe schließt immer dann, wenn der Schwingkreis im Nulldurchgang angelangt ist, dadurch verringern sich die Schaltverluste und Störungen gegenüber Klasse-D-Verstärkern nochmals.
Der Nachteil ist die überaus große Komplexität der Schaltung.
Wegen des relativ hohen Aufwandes, der früher bei der Verwendung von Elektronenröhren für jede Röhrenstufe aufgewendet werden musste, baute man früher nur Eintaktendstufen mit dem Arbeitspunkt A-Betrieb. Auf Grund der geringen Verlustleistung der damaligen Endröhren (meist weniger als 15 W) wurden kaum mehr als 6 W Ausgangsleistung bei niedrigem Wirkungsgrad erreicht. Der notwendige Ausgangstrafo schränkte den Frequenzbereich ein und erlaubte keine wirkungsvolle Gegenkopplung, um den Klirrfaktor gering zu halten.
Der Klirrfaktor spielt bei Sendeendverstärkern keine Rolle, deshalb dominiert hier das Eintaktprinzip weiterhin.
Preiswerte Röhren und schließlich Transistoren ermöglichten die effektiveren Gegentaktverstärker mit höherer Leistung. Die Möglichkeit, npn- und pnp-Transistoren fast identischer Kennlinien verwenden zu können, schuf symmetrische Schaltungen, die geradzahlige Oberwellen fast vollständig auslöschen. Durch den Wegfall des Transformators bei „eisenlosen Endstufen“ gab es keine Hysteresekurve mehr und die nun mögliche verzerrungsmindernde starke Gegenkopplung reduzierte den Klirrfaktor ganz erheblich. Das war der Beginn von Hi-Fi.
In modernen Röhrenverstärkern wird auf diese Weiterentwicklung der Qualität bewusst verzichtet: Häufig wird Wert auf kleinstmögliche Gegenkopplung gelegt und auf ein bestimmtes Verhältnis zwischen den spektralen Leistungsanteilen gerad- und ungeradzahligen Oberwellen. Dabei verzichtet man bewusst auf Linearität und nutzt das recht nichtlineare Übertragungsverhalten der Elektronenröhren aus. Im Eintakt-A-Betrieb ergibt sich aus der Übertragungsfunktion
eine Dominanz geradzahliger Oberwellen und ein sehr schnell zu höherer Ordnung bzw. Frequenz hin abklingendes Verzerrungsspektrum. Durch die sehr geringe Gegenkopplung stellen zudem transiente Verzerrungen kein Problem dar. Erkauft wird dieses Verhalten durch einen sehr geringen Wirkungsgrad, folglich große Verlustwärme und problematischem magnetischen Sättigungsverhalten des Ausgangstransformators, hervorgerufen durch den Fluss des hohen Ruhestromes durch die Primärwicklung.
Der Wunsch nach leichten, aber leistungsstarken Endstufen in Autos mit nur 14 V Betriebsspannung führte zur Übernahme der aus der Antriebstechnik bekannten digitalen Brückenverstärker in die Analogtechnik. Das Schaltbild erinnert an den Buchstaben H, anstelle des Motors im Brückenzweig liegt nun der Lautsprecher. Allerdings dürfen nun die Paare A-D oder B-C nicht nur verlustarm ein- und ausgeschaltet werden, sie müssen fein abgestuft langsam geöffnet und geschlossen werden - dabei entsteht viel Wärme und der Wirkungsgrad liegt wie im üblichen AB-Betrieb bei nur 50 %. Die maximal erzielbare Leistung ist aber viermal so groß wie bei einer üblichen „eisenlosen Endstufe“ und wird nach folgender Formel berechnet:

Mit einem 4-Ohm-Lautsprecher liegt die Maximalleistung bei 24 W. Will man mehr Leistung, muss entweder der Lautsprecherwiderstand verringert werden oder das Gerät bekommt einen Spannungswandler, der die Betriebsspannung auf beispielsweise 40 V heraufsetzt.
Transistorverstärker, Arbeitspunkt, Bi-amping
Text und Bilder der Lexikonartikel stammen aus der freien Enzyklopädie Wikipedia und stehen unter der GNU Free Documentation License.