Die Grundschaltungen eines Verstärkers sind nach der Elektrode benannt, auf welche sich der Eingang und Ausgang beziehen. Im Falle eines Bipolartransistors ergeben sich so die Emitterschaltung, die Kollektorschaltung und die Basisschaltung. Die Transistor-Grundschaltungen unterscheiden sich in den elektrischen Eigenschaften und daher im Verwendungszweck. Analog sind die entsprechenden Schaltungen auch mit Feldeffekttransistoren ( als Source-Schaltung, Drain-Schaltung/Source-Folger und Gate-Schaltung ) realisierbar.
Bei Trioden und anderen Elektronenröhren heißt das Analogon zur Basisschaltung Gitterbasisschaltung, das Analogon zur Emitterschaltung heißt Kathodenbasisschaltung, das Analogon zum Emitterfolger (Kollektorschaltung) heißt Kathodenfolger oder Anodenbasisschaltung.
Inhaltsverzeichnis |
Die Schaltungen werden üblicherweise wie im nachfolgenden Bild in der oberen Reihe dargestellt, um die jeweils gemeinsame Elektrode zu verdeutlichen. Die Funktionsweise wird allerdings deutlicher, wenn man die Schaltungen gemäß der unteren Reihe umzeichnet.
Die oben genannten Methode zur Ermittlung der jeweiligen Grundschaltung ist nicht immer streng erfüllt, so dass ein weiteres Kriterium angewendet werden muss:
„Die Bezeichnung der Grundschaltung erfolgt entsprechend dem Anschluss des Transistors, an welchem kein Ein- und Ausgang anliegt.“
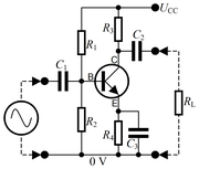
Sie entspricht der normalen Funktionsweise eines Bipolartransistors. C1 und C2 blockieren die Gleichspannungsanteile an Ein- und Ausgang. Mit den Widerständen R1 und R2 wird der Arbeitspunkt festgelegt. Der Basis-Emitter-Strom steuert den um den Stromverstärkungsfaktor β größeren Kollektor-Emitter-Strom. Der Eingangswiderstand ist klein und entspricht
.(Wenn C3 vorhanden ist, dann ist Re = rBE). Der Ausgangswiderstand ist die Parallelschaltung aus dem Arbeitswiderstand R3 und dem Kollektor-Emitter-Widerstand rCE (dieser ist in der Regel
). Die Spannungsverstärkung ist bei fehlendem C3 das Verhältnis von R3 und R4, ansonsten ist sie vom Transistortyp und der Temperatur abhängig. Der Emitterstrom ist gleich dem Kollektorstrom und dem Basisstrom.
Die Spannung an R4 sollte etwa 0,6 V betragen, die Spannung an R2 also 1,2 V. R3 soll so groß sein, dass die Spannung am Kollektor recht genau halb so groß ist wie die Betriebsspannung Ucc , weil dann beide Halbwellen ihren maximalen Wert erreichen können. Die Schaltung im nebenstehenden Bild besitzt keine Wechselstrom-Gegenkopplung und verzerrt deshalb das Signal. Das lässt sich durch einen kleinen Widerstand von etwa 100 Ω in Reihe zu C3 deutlich verbessern. Allerdings sinkt dadurch auch die Verstärkung.

Die Emitterschaltung wird in vielen Bereichen der Elektronik eingesetzt, zum Beispiel in Kleinsignal-Verstärkern und elektronischen Schaltern. Eine Emitterschaltung mit nachfolgender Basisschaltung ergibt einen Kaskodeverstärker, bei dem der Eingangswiderstand niedrig und der Ausgangswiderstand sehr hoch ist. Diese Schaltung hat besonders geringe Rückwirkungen und ist deshalb für HF-Anwendungen geeignet.
Die Spannungsquelle soll für das Signal keinen Widerstand besitzen (gegebenenfalls einen Kondensator parallel schalten), daher ist der Kollektor auf einem konstanten Spannungsniveau. In der Schaltung fließt ein kleiner Basis-Emitter-Strom und steuert einen größeren Kollektor-Emitter-Strom. Dieser wird vom Arbeitswiderstand R3 bestimmt; an ihm liegt eine Spannung Ua = Ue − Ube mit der Eingangsspannung Ue und der Basis-Emitter-Spannung Ube von circa 0,7 V.
Die Ausgangsspannung am Emitter folgt daher annähernd der Eingangsspannung, weshalb man auch von einer Emitterfolgerschaltung spricht. Da der Strom durch den Arbeitswiderstand am Eingang um den Faktor der Stromverstärkung verringert erscheint, ist die Eingangsimpedanz einer Emitterfolgerschaltung sehr hoch, die Spannungsverstärkung ist etwa 1. Dies macht die Schaltung zu einem Impedanzwandler.
Die Spannung an R3 sollte recht genau halb so groß sein wie die Betriebsspannung Ucc, weil dann beide Halbwellen ihren maximalen Wert erreichen können. Das erreicht man, wenn R1 und R2 gleich groß sind.
Impedanzwandler, z. B. für Kristall-Tonabnehmer und Piezo-Schallaufnehmer, in Kondensator- und Elektret-Mikrofonen, als Vorstufe der Darlington-Schaltung (hier ist die Last die Basis der Ausgangsstufe) und vieler Audioverstärker-Endstufen.
Sie entspricht der Emitterschaltung, jedoch liegt die Basis auf Masse oder einer konstanten Spannung und der Emitter-Strom muss auch durch die Signalquelle fließen. Dies macht die Stromverstärkung zu 1. Der Eingangswiderstand ist sehr klein, da der gesamte Laststrom sowie der Basisstrom von der Quelle aufgebracht werden muss. Der Ausgangswiderstand und die Spannungsverstärkung entsprechen der Emitterschaltung.
Durch Kombinationen aus den Grundschaltungen ergeben sich folgende Schaltungen:
In der TTL-Technik werden zwei Transistoren in einer Halbbrückenanordnung betrieben, der untere in Emitter-, der obere in Kollektorschaltung.
Beim Stromspiegel arbeitet der 2. Transistor in Emitterschaltung, der erste stellt genau die Spannung an der Basis des zweiten bereit, dass dessen Kollektorstrom dem Eingangsstrom gleicht; Einsatz als steuerbare Stromquelle.
Beim Differenz-Eingang, z. B. eines Operationsverstärkers, wirkt jeder der beiden Eingänge als Emitterschaltung (invertierend) auf die ihm zugeordnete nächste Stufe, jedoch als Folge aus Kollektorschaltung und Basisschaltung auf den anderen Ausgang.
Text und Bilder der Lexikonartikel stammen aus der freien Enzyklopädie Wikipedia und stehen unter der GNU Free Documentation License.